1、概 述
HT1621是HOLTEK较早推出液晶驱动电路的,在多种液晶显示产品中可见到,随着国内半导体产业发展。目前已经有多家替代产品。替代产品价格约6毛左右,有较大价格优势。如JSM1621B、TM1621、GN1621等,下面以GN1621进行简单介绍。
SSOP48封装HT1621B丝印及封装

SSOP48封装GN1621丝印及封装

GN1621是一种128点阵式存储映射多功能LCD驱动电路。GN1621的S/W结构特点,使它适合点阵式LCD显示,包括LCD模块和显示子系统,GN1621还具有节电功能。
特点:
工作电压:2.4V~5.5V
内部256kHz RC振荡器
外部32kHz晶振或256kHz频率输入
可选择1/2或1/3偏置和1/2、1/3或1/4占空比LCD显示
内部时基频率源
蜂鸣器驱动信号频率可选择2kHz或4kHz
具有关机指令可减少功耗
内部时基发生器和WDT看门狗定时器
内部时基或WDT溢出输出
八个时基/WDT时钟的时钟源
32×4 LCD驱动器
内部32×4bit显示RAM
四路串行接口
内部LCD驱动频率源
可用指令控制操作
数据模式和命令模式指令
R/W地址自动累加
三种数据访问模式
VLCD引脚用来调整LCD工作电压
工作环境温度:-40~85℃
封装形式:SOP16/SOP24/SSOP24/SOP28/QFP44/SSOP48/LQFP48
包装规格如下(推荐以下封装):
GN1621 SSOP48 30PCS/管 80管/盒 2400PCS/盒 24000PCS/箱(塑封体尺寸:15.9mm×7.5mm 引脚间距:0.635mm)
GN1621C SOP28 25PCS/管 80管/盒 2000PCS/盒 20000PCS/箱(塑封体尺寸:17.9mm×7.5mm 引脚间距:1.27mm)
GN1621B QFP44 96PCS/板 10板/盒 960PCS/盒 5760PCS/箱(塑封体尺寸:10.0mm×10.0mm 引脚间距:0.8mm)
GN1621DT SSOP24 60PCS/管 160管/盒 9600PCS/盒 96000PCS/箱(塑封体尺寸:8.7mm×3.9mm 引脚间距:0.635mm)
GN1621CB SSOP48 30PCS/管 80管/盒 2400PCS/盒 24000PCS/箱(塑封体尺寸:15.9mm×7.5mm 引脚间距:0.635mm)
#2、功能框图及引脚说明
2.1、GN1621功能框图

图 1 功能框图
注:
[1] CS: 芯片选择
[2] BZ, BZ: 蜂鸣器输出
[3] WR, RD, DATA: 串行接口
[4] COM0~COM3, SEG0~SEG31: LCD 输出
[5] IRQ: 时间基准或WDT溢出输出
4、功能说明
GN1621 是一种具有微控制器接口,由 RAM 映射的 32×4 点阵式 LCD 控制驱动器。电路上电时清零,并可以通过命令端进行工作状态设置,然后通过片选、读、写端对 RAM 数据进行读、写、修改操作,RAM 内容与 LCD 显示驱动的内容一一对应。该电路为点阵式 LCD 驱动显示,各 SEG端是互相独立的,且容易对 RAM 数据进行修改,所以显示点阵内容灵活,可随用户任意定制。
4.1、RAM
静态显示存储器(RAM)结构为 32×4 位,贮存所显示的数据。RAM 的内容直接映射成 LCD 驱动器的内容。RAM 中的数据可被 READ、WRITE 和 READ-MODIFY-WRITE 命令存取。RAM 中内容映射至 LCD 结构过程如下图所示:

图 5 RAM 映射图
4.2、系统振荡器
GN1621 系统时钟用来产生基准时钟/看门狗电路的时钟、LCD 驱动时钟和蜂鸣频率。时钟可以来自片内 RC 振荡器(256kHz)、晶体振荡器(32.768kHz)或由 S/W 设置的外部 256kHz 的时钟。系统振荡器结构如下图。执行 SYS DIS 命令后,系统时钟停止,LCD 偏置发生器也停止工作,此命令只适用于片内 RC 振荡器(256kHz)和晶体振荡。一旦系统时钟停止,LCD 显示变暗,时基/WDT将失去功能。
LCD OFF 命令用来关闭 LCD 偏置发生器。LCD OFF 命令关闭 LCD 偏置发生器后,用 SYS DIS命令减少功耗,相当于系统 POWER DOWN 命令。但当外部时钟用作系统时钟时,SYS DIS 命令既不能关闭振荡器也不能进入 POWER DOWN 模式。晶体振荡器可用来连接一个 32kHz 外部频率源到OSCI 管脚。因此,系统进入 POWER DOWN 模式有点类似于外部 256kHz 时钟的运行。系统初始上电后,GN1621 处于 SYS DIS 状态。

图 6 系统振荡器结构
4.3、时间基准和看门狗定时器
时间基准发生器是由 8 级递增计数器构成,用来设计产生一个精确的时间基准。看门狗定时器(WDT)由 8 级时基发生器和一个 2 级递增计数器组成,在非正常状态下(未知的或不希望发生的跳转、执行错误等),用来停止主控制器或其它子系统。WDT溢出,将设置一个WDT溢出标志。时基发生器的输出和WDT暂停标志的输出可以用命令连接到IRQ的输出端。总共有 8 个频率适合时基发生器和WDT时钟。其频率由下列公式得出fWDT=32kHz/2n,n的值通过命令在 0~7 之间变化,等式中的 32kHz表明系统频率由一个 32.76832kHz的晶体振荡器、一个片内振荡器(256kHz)或外部 256kHz频率驱动。
如果一个片内振荡器(256kHz)或外部 256kHz频率作为系统频率,系统频率被一个 3 级分频器预置成 32kHz。由于时基发生器和WDT使用同一个 8 级计数器,因此需小心使用与时基发生器和WDT相关的命令。例如调用WDT DIS命令对时基发生器无效,而WDT EN不但适用于时基发生器而且可以激活WDT溢出标志输出(WDT溢出标志连接到IRQ脚)。输入TIMER EN命令后,WDT和IRQ脚断开,时基发生器的内容由CLR WDT或CLR TIMER命令清零。CLR WDT或CLR TIMER命令分别相应的在WDT EN或TIMER EN命令之前执行。CLR TIMER命令必须在WDT模式转换到时基模式之前执行。一旦出现WDT溢出模式,IRQ脚将处于逻辑低电平直到出现CLR WDT或IRQ DIS命令。IRQ输出无效后,IRQ脚将处于悬浮状态。通过执行IRQ EN或IRQ DIS命令使IRQ输出处于有效或无效状态。IRQ EN使得时基发生器或WDT溢出标志的输出作用到IRQ脚。时基发生器和WDT的结构见下图:

图 7 时基发生器和 WDT 的结构示意图
4.4、蜂鸣输出
在GN1621 中提供一个简单的蜂鸣振荡器。蜂鸣振荡器可提供一对蜂鸣驱动信号BZ和BZ,用来产生一个简单的蜂鸣。执行TONE4K和TONE2K命令可产生两种蜂鸣频率,
TONE4K和TONE2K命令设置蜂鸣频率分别为 4kHz和2kHz,蜂鸣驱动信号可以调用TONE ON或TONE OFF命令来开启或关闭。BZ和BZ是一对反相驱动输出,用来驱动电蜂鸣器。一旦系统失效或蜂鸣输出停止,BZ和BZ输出处于低电平。
4.5、LCD 驱动器
GN1621 是一个 128(32×4)点阵式 LCD 驱动器,它可以驱动 1/2 或 1/3 偏置,2、3 或 4 个COM端的 LCD 显示器,这个特性使得 GN1621 适合于多种 LCD 显示器。LCD 驱动时钟产生于系统时钟,不管系统时钟是来源于 32.768kHz 晶振频率还是片内 RC 振荡器频率或外部频率,LCD 驱动时钟的频率总是 333Hz。与 LCD 相应命令见下表。
名称 指令代码 功能
LCD关闭 1000 0000 010X 关闭LCD输出
LCD开启 1000 0000 011X 打开LCD输出
BIAS&COM 1000 010a bXcX
c=0:1/2 偏置状态
c=1:1/3 偏置状态
ab=00: 2COM 端
ab=01: 3COM 端
ab=10: 4COM 端
指令代码的前三位 100 表明是命令模式 ID,如果出现连续命令模式 ID(除第一个命令)将被忽略。LCD OFF 命令通过中断 LCD 偏置发生器关闭 LCD 显示,而 LCD ON 命令通过启动 LCD 偏置发生器开启 LCD 显示。BIAS &COM 是与 LCD 显示器相关的命令,通过该命令 GN1621 可驱动许多类型的 LCD 显示器。
4.6、指令格式
GN1621 可以通过 S/W 来设置,设置 GN1621 和传送 LCD 显示数据的指令共有两种模式,分别为命令模式和数据模式。对 GN1621 的设置称作命令模式,其 ID 是 100,由系统设置命令、系统频率选择命令、LCD设置命令、蜂鸣频率选择命令和操作命令组成。数据模式包括
READ、WRITE 和READ-MODIFY-WRITE 操作。下表是数据模式 ID 和命令模式 ID:
操作 模式 ID
READ 数据 110
WRITE 数据 101
READ-MODIFY-WRITE 数据 101
COMMAND 命令 100
命令模式出现在数据和命令传送之前。如出现连续指令,命令模式ID100 被忽略。当系统工作在不连续命令或不连续地址数据模式,CS管脚应设置为 1,而之前的工作模式将被复位。一旦CS管脚为0,将出现一个新的工作模式ID。
4.7、接口
GN1621只有4线需要接口。CS初始化串行接口电路和在主控制器和 GN1621之间终接通信端。
CS为1时,主控制器和GN1621之间数据和命令被禁止和初始化。出现命令模式和模式转换之前,需要一个高电平脉冲初始化 GN1621的串行接口。数据线是串行输入/输出线。读写数据或写入命令必须通过数据线。RD线是 READ时钟输入。RAM中的数据在RD信号的下降沿被读出,读出数据将显示在DATA线上。主控制器在READ信号上升沿和下一个下降沿之间读出正确数据。WR线是WRITE时钟输入。
数据线上的数据、地址、命令在WR信号上升沿全被读到GN1621。IRQ线被用作主控制器和GN1621之间的接口。IRQ脚作为定时器输出或WDT溢出标志输出,由S/W设定。主控制器通过连接GN1621 的IRQ脚执行时间基准或WDT功能。
4.8、时序图(略)
4.8.1、READ 模式(指令码:110)
4.8.2、READ 模式(连续地址读)
4.8.3、WRITE 模式(指令码:101)
4.8.4、WRITE 模式(连续地址写)
4.8.5、READ-MODIFY-WRITE 模式(指令码:101)
4.8.6、READ-MODIFY-WRITE 模式(连续地址存取)
4.8.7、命令模式 (命令码 : 100)
4.8.8、模式 (数据及命令模式)
注:推荐主控制器应在RD上升沿与下一周期RD下降沿之间从DATA端读取数据。
4.9、指令一览表

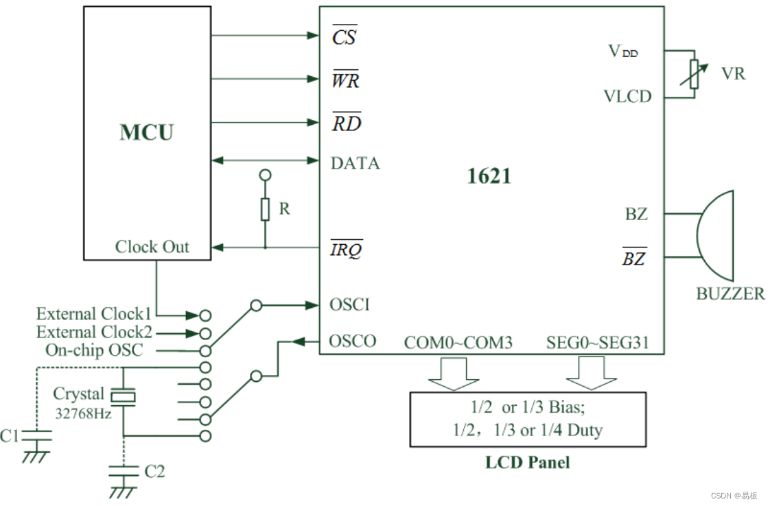
#5、典型应用线路图
5.1、应用线路
5.2、使用说明:
IRQ和RD引脚的连接视主控制器的要求而定。
VLCD 引脚的电压必须低于 VDD。
调节 VR 以适应 LCD 显示屏电压。VDD=5V,VLCD=4V,VR=27.5kΩ±20%。
调节 R(外接上拉电阻)以适应用户的基准时钟。
为了获得最佳性能,需要增加两个 2 个额外的负载电容 C1、C2,电容值的大小影响晶振的精度建议按下表进行取值。
C1、C2 电容取值说明:
振荡精度 电容值
±10ppm 0~10p
10~20ppm 10~20p